Mounting adapter
Mounting adapter
l Mounting adapter on short taper spindle noses DIN55026

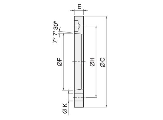
TYPE1 UNIT : mm
|
DIM |
Spindle |
C |
F |
H |
K |
E |
Matching |
|
N0205-0J4 |
A4 |
110 |
63.513 |
82.55 |
3-11 |
15 |
N-205 |
|
N0205-0J42 |
A4 |
110 |
63.513 |
82.55 |
4-11 |
15 |
NT-205 |
|
N0206-0J5 |
A5 |
140 |
82.563 |
104.78 |
6-11 |
15 |
N-206, NB-306, V-206 |
|
N0206-0J52 |
A5 |
140 |
82.563 |
104.78 |
6-11 |
15 |
NT-206, VT-206 |
|
N0206-0J54 |
A5 |
140 |
82.563 |
104.78 |
4-11 |
15 |
NIT-206 |
|
N0208-0J6 |
A6 |
170 |
106.375 |
133.35 |
6-13 |
17 |
N-208, NB-208, V-208 |
|
N0208-0J62 |
A6 |
170 |
106.375 |
133.35 |
6-13 |
17 |
NT-208, VT-208 |
|
N0208-0J64 |
A6 |
170 |
106.375 |
133.35 |
4-13 |
17 |
NIT-208 |
|
NHT0208-0J6 |
A6 |
170 |
106.375 |
133.35 |
6-13 |
17 |
NHT-208 |
|
N0210-0J8 |
A8 |
220 |
139.719 |
171.45 |
6-17 |
18 |
N-210, N-212, NB-210, V-210, V-212 |
|
N0210-0J82 |
A8 |
220 |
139.719 |
171.45 |
6-17 |
18 |
NT-210, NT-212, VT-210, VT-212 |
|
N0210-0J84 |
A8 |
220 |
139.719 |
171.45 |
4-17 |
18 |
NIT-210, NIT-212, VIT-212 |
|
N0215-0J11 |
A11 |
300 |
196.869 |
235 |
6-21 |
22 |
N-215, N-218, NB-212, V-215, V-218 |
|
N0215-0J112 |
A11 |
300 |
196.869 |
235 |
6-21 |
22 |
NT-215, VT-215 |
|
N0215-0J114 |
A11 |
300 |
196.869 |
235 |
4-21 |
22 |
NIT-215, VIT-218 |
|
V0224-0J15 |
A15 |
380 |
285.775 |
330.2 |
6-25 |
27 |
N-220, V-221, V-224, V-232, NB-215, NB-218 |
|
V0224-0J154 |
A15 |
380 |
285.775 |
330.2 |
8-25 |
27 |
VIT-224, VIT-232 |
|
N0224-0J20 |
A20 |
520 |
412.775 |
463.6 |
6-25 |
25 |
N-224, N-232, V-240, V-250 |

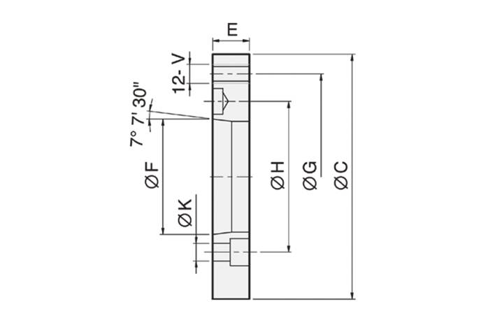
TYPE2 UNIT : mm
|
DIM |
Spindle |
C |
F |
H |
K |
G |
V |
E |
Matching |
|
N0206-0J4 |
A4 |
140 |
63.513 |
82.55 |
11 |
104.78 |
M10 |
20 |
N-206, NT-206, NIT-206, |
|
N0208-0J5 |
A5 |
170 |
82.563 |
104.78 |
11 |
133.35 |
M12 |
23 |
N-208, NT-208, NIT-208, |
|
N0210-0J6 |
A6 |
220 |
106.375 |
133.35 |
13 |
171.45 |
M16 |
25 |
N-210, NT-210, NIT-210, |
|
N0215-0J8 |
A8 |
300 |
139.719 |
171.45 |
17 |
235 |
M20 |
33 |
N-215, NT-215, NIT-215, |
|
N0220-0J11 |
A11 |
380 |
196.869 |
235 |
21 |
330.2 |
M24 |
41 |
N-220, VIT-232, NB-215, |
|
N0224-0J11 |
A11 |
520 |
196.869 |
235 |
21 |
463.6 |
M24 |
45 |
N-224, N-232, V-240, V-250 |
|
N0224-0J15 |
A15 |
520 |
285.775 |
330.2 |
25 |
463.6 |
M24 |
42 |
N-224, N-232, V-240, V-250 |
|
V0224-0J8 |
A8 |
380 |
139.719 |
171.45 |
17 |
330.2 |
M24 |
33 |
V-221, V-224, V-232 |
|
V0224-0J11 |
A11 |
380 |
196.869 |
235 |
21 |
330.2 |
M24 |
27 |
V-221, V-224, V-232 |
|
V0263-0J20 |
A20 |
720 |
412.775 |
463.6 |
27 |
647.6 |
M30 |
50 |
VIT-263, VE-263, VE-279 |
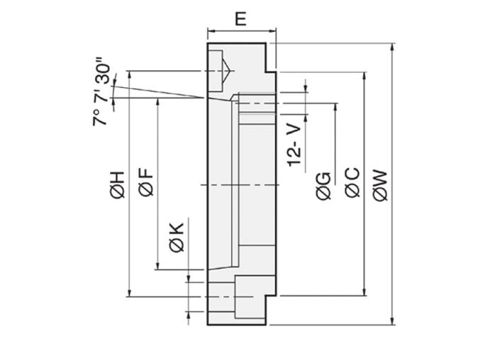
TYPE3 UNIT : mm
|
DIM |
Spindle |
C |
F |
H |
K |
G |
V |
W |
E |
Matching |
|
N0205-0J5 |
A5 |
110 |
82.563 |
104.78 |
11 |
82.55 |
M10 |
128 |
32 |
N-205, NT-205 |
|
N0206-0J6 |
A6 |
140 |
106.375 |
133.35 |
13 |
104.78 |
M10 |
168 |
35 |
N-206, NT-206, NB-306, |
|
N0208-0J8 |
A8 |
170 |
139.719 |
171.45 |
17 |
133.35 |
M12 |
208 |
40 |
N-208, NT-208, NIT-208, |
|
N0212-0J11 |
A11 |
220 |
196.869 |
235 |
21 |
171.45 |
M16 |
278 |
50 |
N-210, NT-210, NIT-210, |
|
N0215-0J15 |
A15 |
300 |
285.775 |
330.2 |
25 |
235 |
M20 |
378 |
57 |
N-215, NT-215, NIT-215, |
|
V0224-0J20 |
A20 |
380 |
412.775 |
463.6 |
26 |
330.2 |
M24 |
520 |
58 |
N-220, V-221, V-224, |
