Soft jaw for strong scroll chuck
SKC 強力型生爪 Soft jaw for strong scroll chuck
l Soft jaws for strong scroll chuck.
l Manufactured in special specification.

|
SPEC |
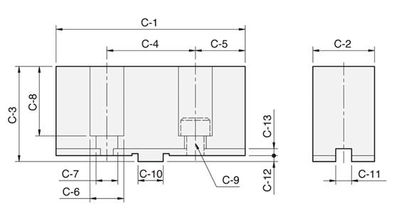
C-1 |
C-2 |
C-3 |
C-4 |
C-5 |
C-6 |
C-7 |
C-8 |
C-9 |
C-10 |
C-11 |
C-12 |
C-13 |
Matching |
3 Jaw |
|
SKC04 |
52 |
19 |
30 |
24 |
14 |
11 |
7 |
21 |
M6 |
9.53 |
7.94 |
2.5 |
3 |
SK-4 |
0.45 |
|
SKC06 |
73 |
26 |
37 |
38 |
17.5 |
14 |
8.5 |
27 |
M8 |
12.68 |
7.94 |
3 |
3.5 |
SK-6, KD-6" |
1.5 |
|
SKC07 |
95 |
31 |
48 |
44.5 |
25.25 |
17 |
11 |
35 |
M10 |
12.68 |
7.94 |
3 |
3.5 |
SK-7, SK-8, KD-8", KA-8" |
2.7 |
|
SKC09 |
110 |
37 |
48 |
54 |
28 |
19 |
13 |
34 |
M12 |
19.03 |
12.7 |
3 |
3.5 |
SK-9, SK-10, KD-10", KA-10" |
3.7 |
|
SKC12 |
125 |
40 |
54 |
63.5 |
30.75 |
19 |
13 |
40.5 |
M12 |
19.03 |
12.7 |
3 |
3.5 |
SK-12, KD-12", KA-12" |
4.9 |
|
SKC16 |
160 |
50 |
70 |
76.2 |
41.9 |
25 |
17 |
48 |
M16 |
19.03 |
12.7 |
6 |
3.5 |
SK-16 |
11 |
|
HE2486 |
155 |
59 |
86 |
76.2 |
52.9 |
32 |
22 |
66 |
M20 |
19.03 |
12.7 |
6 |
4 |
HB4-2P |
19.2(4PC) |
