Inquiry (
0
)
繁體中文
|
English
|
indonesian
+886-4-22820222
Inquiry
About Us
NEWS
Heavy equipment parts
Bucket PIN
Bucket Bushing, Bushes
Bucket Link
Tipping Link
Dipper end Boss
Bucket spacer
Adjuster set, Spring assembl
Bucket tooth pin & Spit washer
Track Link Pin
Universal Joint
Universal Joint
Universal Joint cap
Grease nipple
Top Roller
Tube Clamps
Poppet Valve
Bucket Pin Washer
Excavator hydraulic cylinder cover
TRAVEL LEVER CONTROL BASE
TRAVEL LEVER CONTROL BASE ASSY
TRAVEL LEVER CONTROL pin&nut
Hydraulic Seal
Excavator Hydraulicr Seal Kits
OIL SEAL
U-Packing ROD Seal
Wiper / Dusk Seal (DKBI DKB)
Buffer Seal (HBY HBT)
RING
O-RING
O-RING BOX
X-RING
PISTON RING
WR / Wear Ring / Guide Ring
CONTAMI SEAL
Piston Seal
Dry Bearing (DAIDO)
Backup Ring
Floating Seal
Pilot Pusher
Coupling
Gear Pump & crankshaft
Fluid Level
Hydraulic breaker foot control valve
SealTools
SKF Speedi-Sleeve
SENTOSA MANDIRI TOOL
SU’S Dills, End mills, Taps (Indonesia agent)
HSS Drills
Solid Carbide Drills
HSE End mils
Soild Carbide End Mills
Taps
Cutting conditions selecting
Arbor, Chuck, Holder & Collet
Drill Chuck
Arbor, Chuck, Holder
Collet Spring Collet
Wrench
Sleeve
Pull Studs
Z Axial preset Gauge / Edge Finder / Preseter
Milling Cutters with Reversible cutting tools
Tool Holder
Boring Bar
Grooving
End mill
Rapid Drill
Sleeve
Vise & Fixture
MACHINE VISE
5-AXIS PRECISION VISE
MC PRECISION SUPER HI-PRESSURE RAPID VISE SERIES
DRILL PRESS VISE
TOOL MAKER VISE
Clamping Kit / FIXTURE ACCESSORIES
Indexing Spacer
AUTO STRONG Jaw Chuck, Soft & Hard Jaws (Indonesia Only)
Scroll / Chuck Jaw Chuck
Power Chuck
Hydraulic Cylinder
Collet Chuck
Soft / Hard Jaws
Pneumatic Power Chuck
Sharpener Machine / Grinder
Sharpener Machine / Grinder
End Mill Re-sharping Machine
Universal Tool Grinder
Punch Grinder
Cutting-off machine
Air Grinder
Live Center
Fixed Live Center
Replaceable Live Center
Solid Carbide Live Center
Auto Adjustment Transmission Live Center
Bull Nose Center Type Live Center
Live Center Accessories
Magnetic Tool & Chuck Controller
Permanent Magnetic Chuck
Electromagnetic Chuck
Chuck Controller
Demagnetizer
Magnetic Lifter
Lathe, Milling machine, Accessories
Milling machine
Lathe
Tools & Accessories
Drilling & Tapping Machine
Drilling/ Tapping Machine
Air Tapping Machine
Universal Hydraulic Tapping Machine
Universal Multiple Spindle Drilling Head
Grinding Wheel
Grinding Wheel Introduction
Internal Grinding Wheel
Surface Grinding Wheel
Cylindrical Grinding Wheel
Centreless Grinding Wheel
Flap Disc
Sanding Belts
Reculating Wheel
Mounted Wheel
Honing Stone & Dressing Stick
Valve Seat / Sawing Machine Grinding Wheel
Brazed END MILL, ROUGHING END MILL
Brazed END MILL
T-SLOT END MILL, DOVETAIL MILLING CUTTER
CHAMFER, COUNTERSINK / CORNER ROUNDING CUTTER
BALL NOSE END MILL, CORNER RADIUS CUTTER
CYLINDRICAL / SIDE / FACE MILLING CUTTER
CYLINDRICAL MILLING CUTTER
SIDE MILLING CUTTER
FACE MILLING CUTTER
Company Location
file download
contact us
繁體中文
English
indonesian
Home
Products
Heavy equipment parts
TRAVEL LEVER CONTROL BASE
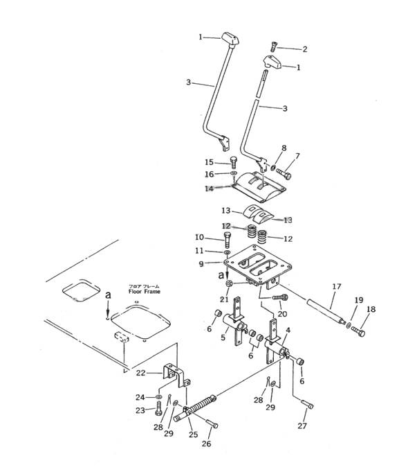
TRAVEL LEVER CONTROL BASE ASSY
TRAVEL LEVER CONTROL BASE ASSY
TRAVEL LEVER CONTROL BASE ASSY
Model :
FT
Q'ty :
Add To Inquiry
Description
TRAVEL LEVER CONTROL BASE ASSY(assembly)
USE FOR KOMATSU
PC120
PC200
PC300