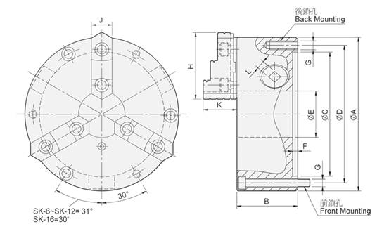
3-jaw strong scroll chuck plain back, 2-piece jaws (front and back mounted)
SK三爪強力連動夾頭(前後鎖共用) 3-jaw strong scroll chuck plain back, 2-piece jaws (front and back mounted)
l SK types chucks have wider unilization range; hard jaws suitable for heavy cutting; soft jaws suitable for light and precision cutting.
l Hard jaws could be used as internal jaws and external jaws.
l Gripping accuracy of 0.03mm (0.0012 inch) T.I.R.
l The body is made of MEEHANITE. It is suitably used for high speed revolution and 3 times more durable than regular material.

|
SPEC |
A |
B |
C |
D |
E |
F |
G |
H |
J |
K |
L |
Allowable |
Gripping |
Max. |
Weight |
Moment |
Gripping Range |
|
Back / Front |
O.D. Range / I.D. Range |
||||||||||||||||
|
SK-4 |
112 |
58 |
80 |
95 |
32 |
4.8 |
— / 3-M8x65 |
47 |
19 |
31.6 |
8 |
4.5 |
1200 |
2500 |
3.8 |
- |
Ø3-Ø95 / Ø29-Ø84 |
|
SK-6 |
167 |
67 |
130 |
147 |
45 |
5.5 |
3-M10 / 3-M10x70 |
72 |
26 |
40.2 |
10 |
9.0 |
2200 |
2000 |
9 |
0.03 |
Ø4-Ø160 / Ø55-Ø150 |
|
SK-7 |
192 |
76.5 |
155 |
172 |
58 |
5.5 |
3-M10 / 3-M10x80 |
81.2 |
28 |
42 |
11 |
11.0 |
2500 |
2000 |
13.8 |
0.06 |
Ø8-Ø180 / Ø62-Ø170 |
|
SK-8 |
200 |
76.5 |
160 |
176 |
58 |
5.5 |
3-M10 / 3-M10x80 |
82 |
28 |
42 |
11 |
11.0 |
2500 |
2000 |
15.5 |
0.07 |
Ø8-Ø190 / Ø68-Ø180 |
|
SK-9 |
232 |
84 |
190 |
210 |
70 |
6 |
3-M12 / 3-M12x90 |
90.9 |
32 |
51.2 |
12 |
15.0 |
3000 |
2000 |
22 |
0.16 |
Ø11-Ø220 / Ø70-Ø210 |
|
SK-10 |
273 |
87 |
230 |
250 |
89 |
8 |
3-M12 / 3-M12x90 |
100.5 |
35 |
56.7 |
12 |
19.5 |
4000 |
1800 |
29.7 |
0.26 |
Ø12-Ø260 / Ø80-Ø250 |
|
SK-12 |
310 |
96 |
260 |
285 |
105 |
7 |
3-M12 / 3-M12x110 |
114.5 |
40 |
56.8 |
14 |
21.0 |
4200 |
1800 |
43.5 |
0.58 |
Ø15-Ø300 / Ø90-Ø290 |
|
SK-16 |
405 |
122 |
345 |
375 |
160 |
8.7 |
— / 6-M14x130 |
148.6 |
50 |
76.1 |
15 |
25.0 |
4500 |
1500 |
98 |
1.72 |
Ø30-Ø380 / Ø110-Ø360 |
