Non through-hole rotary hydraulic cylinder (valve and switch brackets included)
MS250C/MS300C 中實迴轉油壓缸(含逆止閥、檢知裝置) Non through-hole rotary hydraulic cylinder (valve and switch brackets included)
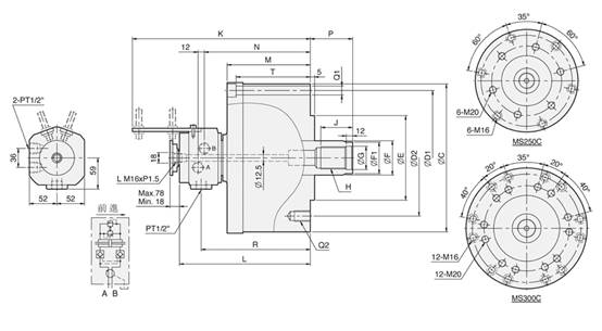
l Through-hole for coolant, oil or air with thread for rotary unit.
l Mounting from the rear or front side.
l Built-in safety check valves and bracket for proximity switch. (The proximity switches are extra option.)
/image001.jpg)
|
SPEC |
Piston |
Piston Area |
Max. Draw Bar Force |
Piston |
Max. |
Max. |
Moment |
Weight |
Total |
|
MS250C |
250 |
481.5 / 453.6 |
227(23147) / 214(21822) |
60 |
4.9(50) |
2000 |
0.87 |
78 |
2 |
|
MS300C |
300 |
697.5 / 658.6 |
262(26716) / 247(25186) |
60 |
4.0(40.8) |
1500 |
1.6 |
106 |
3 |
|
DIM |
C |
D1 |
D2 |
E |
F |
F1 |
G |
H |
J |
K |
L |
M |
N |
P |
P |
Q1 |
Q2 |
R |
T |
|
MS250C |
300 |
275 |
220 |
160 |
65 |
62 |
44 |
M42x3.0 |
60 |
356 |
177 |
177 |
220 |
85 |
25 |
6-Ø17 |
6-M20x30 |
226 |
160 |
|
MS300C |
355 |
330 |
270 |
210 |
75 |
70 |
50 |
M48X3.0 |
70 |
359 |
182 |
182 |
223 |
85 |
25 |
12-Ø17 |
12-M20x30 |
229 |
165 |
