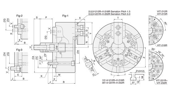
Non through-hole power chuck for vertical lathe (adapter included)
Non through-hole power chuck for vertical lathe (adapter included)
l The front protection of slide way.
l Suitable for vertical lathe.


|
SPEC |
Jaws |
Plunger |
Jaw |
Max. |
Max. |
Max. |
Max. |
Weight |
Matching |
Matching |
Matching |
Gripping |
|
|
V-212RA6 |
3 |
30 |
16 |
5302 |
14276 |
35.7 |
3000 |
67.7 |
0.77 |
MS150C |
HJ12-1 |
HC12-1 |
Ø26-Ø304 |
|
V-212RA8 |
3 |
30 |
16 |
5302 |
14276 |
35.7 |
3000 |
65.6 |
0.76 |
MS150C |
HJ12-1 |
HC12-1 |
Ø26-Ø304 |
|
V-212RA11 |
3 |
30 |
16 |
5302 |
14276 |
35.7 |
3000 |
74.1 |
0.9 |
MS150C |
HJ12-1 |
HC12-1 |
Ø26-Ø304 |
|
V-215RA8 |
3 |
35 |
18.7 |
9585 |
25798 |
35.7 |
2800 |
120.4 |
2.15 |
MS200C |
HJ15-1 |
HC15-1 |
Ø68-Ø381 |
|
V-215RA11 |
3 |
35 |
18.7 |
9585 |
25798 |
35.7 |
2800 |
113.4 |
2.02 |
MS200C |
HJ15-1 |
HC15-1 |
Ø68-Ø381 |
|
V-215RA15 |
3 |
35 |
18.7 |
9585 |
25798 |
35.7 |
2800 |
133 |
2.57 |
MS200C |
HJ15-1 |
HC15-1 |
Ø68-Ø381 |
|
V-218RA8 |
3 |
35 |
18.7 |
9585 |
25798 |
35.7 |
2300 |
144.5 |
3.51 |
MS200C |
HJ15-1 |
HC15-1 |
Ø78-Ø450 |
|
V-218RA11 |
3 |
35 |
18.7 |
9585 |
25798 |
35.7 |
2300 |
137.5 |
3.43 |
MS200C |
HJ15-1 |
HC15-1 |
Ø78-Ø450 |
|
V-218RA15 |
3 |
35 |
18.7 |
9585 |
25798 |
35.7 |
2300 |
157.5 |
3.95 |
MS200C |
HJ15-1 |
HC15-1 |
Ø78-Ø450 |
|
V-221RA8 |
3 |
35 |
16 |
9075 |
28450 |
33.7 |
1940 |
198 |
6.46 |
MS200C |
HJ24-1 |
HC24-1 |
Ø65-Ø530 |
|
V-221RA11 |
3 |
35 |
16 |
9075 |
28450 |
33.7 |
1940 |
190 |
6.35 |
MS200C |
HJ24-1 |
HC24-1 |
Ø65-Ø530 |
|
V-221RA15 |
3 |
35 |
16 |
9075 |
28450 |
33.7 |
1940 |
184 |
6.28 |
MS200C |
HJ24-1 |
HC24-1 |
Ø65-Ø530 |
|
V-224RA8 |
3 |
35 |
16 |
9075 |
28450 |
33.7 |
1760 |
240 |
10.54 |
MS200C |
HJ24-1 |
HC24-1 |
Ø152-Ø610 |
|
V-224RA11 |
3 |
35 |
16 |
9075 |
28450 |
33.7 |
1760 |
233 |
10.44 |
MS200C |
HJ24-1 |
HC24-1 |
Ø152-Ø610 |
|
V-224RA15 |
3 |
35 |
16 |
9075 |
28450 |
33.7 |
1760 |
227 |
10.36 |
MS200C |
HJ24-1 |
HC24-1 |
Ø152-Ø610 |
|
V-232RA11 |
3 |
35 |
18.7 |
9585 |
25798 |
35.7 |
1060 |
390 |
30.9 |
MS200C |
HJ24-1 |
HC32-1 |
Ø100-Ø810 |
|
V-232RA15 |
3 |
35 |
18.7 |
9585 |
25798 |
35.7 |
1060 |
383 |
30.82 |
MS200C |
HJ24-1 |
HC32-1 |
Ø100-Ø810 |
|
V-232RA20 |
3 |
35 |
18.7 |
9585 |
25798 |
35.7 |
1060 |
419 |
32.69 |
MS200C |
HJ24-1 |
HC32-1 |
Ø100-Ø810 |
|
VIT-212RA8 |
4 |
30 |
16 |
5302 |
14276 |
35.7 |
2500 |
68 |
0.79 |
MS150C |
HJ12-1 |
HC12-1 |
Ø26-Ø304 |
|
VIT-218RA11 |
4 |
35 |
18.7 |
9585 |
25798 |
35.7 |
2000 |
141.5 |
3.52 |
MS200C |
HJ15-1 |
HC15-1 |
Ø78-Ø450 |
|
VIT-224RA11 |
4 |
35 |
18.7 |
9075 |
28450 |
33.7 |
1520 |
255 |
11.3 |
MS200C |
HJ24-1 |
HC24-1 |
Ø152-Ø610 |
|
VIT-224RA15 |
4 |
35 |
18.7 |
9075 |
28450 |
33.7 |
1520 |
240 |
11.02 |
MS200C |
HJ24-1 |
HC24-1 |
Ø152-Ø610 |
|
VIT-232RA11 |
4 |
35 |
18.7 |
9585 |
25798 |
35.7 |
920 |
414 |
32.68 |
MS200C |
HJ24-1 |
HC32-1 |
Ø100-Ø810 |
|
VIT-232RA15 |
4 |
35 |
18.7 |
9585 |
25798 |
35.7 |
920 |
399 |
32.4 |
MS200C |
HJ24-1 |
HC32-1 |
Ø100-Ø810 |
|
DIM |
A |
B |
C |
D |
E |
F |
G |
H |
J |
K |
M |
N |
O |
O |
P |
P |
Q |
R |
S |
T |
U |
V |
W |
X |
Y |
Z |
Z1 |
Reference |
|
V-212RA6 |
304 |
125 |
220 |
30 |
25 |
106.38 |
171.45 |
133.35 |
18 |
6-M16 |
6 |
61 |
48.75 |
12.75 |
138 |
108 |
5.5 |
18 |
36 |
50 |
M20x2.5 |
6-M12 |
50 |
54.5 |
130 |
— |
— |
Fig2 |
|
V-212RA8 |
304 |
118 |
220 |
30 |
18 |
139.72 |
190 |
171.45 |
25 |
6-M16 |
6 |
61 |
48.75 |
12.75 |
145 |
115 |
5.5 |
18 |
36 |
50 |
M20x2.5 |
3-M8 |
50 |
54.5 |
130 |
— |
— |
Fig1 |
|
V-212RA11 |
304 |
150 |
220 |
30 |
50 |
196.87 |
171.45 |
235 |
28 |
6-M16 |
6 |
61 |
48.75 |
12.75 |
113 |
83 |
5.5 |
18 |
36 |
50 |
M20x2.5 |
6-M20 |
50 |
54.5 |
130 |
— |
— |
Fig3 |
|
V-215RA8 |
381 |
141 |
300 |
43 |
33 |
139.72 |
235 |
171.45 |
24 |
6-M20 |
6 |
78 |
49.75 |
24.25 |
71 |
36 |
5.5 |
25.5 |
55 |
62 |
M30x3.5 |
6-M16 |
60 |
66.5 |
165 |
— |
— |
Fig2 |
|
V-215RA11 |
381 |
130 |
300 |
43 |
22 |
196.87 |
260 |
235 |
32 |
6-M20 |
6 |
78 |
49.75 |
24.25 |
82 |
47 |
5.5 |
25.5 |
55 |
62 |
M30x3.5 |
3-M10 |
60 |
66.5 |
165 |
— |
— |
Fig1 |
|
V-215RA15 |
381 |
165 |
300 |
43 |
57 |
285.78 |
235 |
330.2 |
29 |
6-M20 |
6 |
78 |
49.75 |
24.25 |
47 |
12 |
5.5 |
25.5 |
55 |
62 |
M30x3.5 |
6-M24 |
60 |
66.5 |
165 |
— |
— |
Fig3 |
|
V-218RA8 |
450 |
141 |
300 |
43 |
33 |
139.72 |
235 |
171.45 |
24 |
6-M20 |
6 |
92 |
70.75 |
24.25 |
59 |
24 |
5.5 |
25.5 |
55 |
62 |
M30x3.5 |
6-M16 |
60 |
66.5 |
165 |
158 |
22 |
Fig2 |
|
V-218RA11 |
450 |
130 |
300 |
43 |
22 |
196.87 |
260 |
235 |
32 |
6-M20 |
6 |
92 |
70.75 |
24.25 |
70 |
35 |
5.5 |
25.5 |
55 |
62 |
M30x3.5 |
3-M10 |
60 |
66.5 |
165 |
158 |
22 |
Fig1 |
|
V-218RA15 |
450 |
165 |
300 |
43 |
57 |
285.78 |
235 |
330.2 |
29 |
6-M20 |
6 |
92 |
70.75 |
24.25 |
35 |
0 |
5.5 |
25.5 |
55 |
62 |
M30x3.5 |
6-M24 |
60 |
66.5 |
165 |
158 |
22 |
Fig3 |
|
V-221RA8 |
530 |
154 |
380 |
60 |
33 |
139.72 |
330.2 |
171.45 |
24 |
6-M24 |
6 |
87 |
93.5 |
27.5 |
64 |
29 |
9 |
25 |
55 |
64 |
M30x3.5 |
9-M16 |
60 |
77 |
180 |
155 |
22 |
Fig2 |
|
V-221RA11 |
530 |
148 |
380 |
60 |
27 |
196.87 |
330.2 |
235 |
30 |
6-M24 |
6 |
87 |
93.5 |
27.5 |
70 |
35 |
9 |
25 |
55 |
64 |
M30x3.5 |
6-M20 |
60 |
77 |
180 |
155 |
22 |
Fig2 |
|
V-221RA15 |
530 |
148 |
380 |
60 |
27 |
285.78 |
330.2 |
330.2 |
33 |
6-M24 |
6 |
87 |
93.5 |
27.5 |
70 |
35 |
9 |
25 |
55 |
64 |
M30x3.5 |
3-M12 |
60 |
77 |
180 |
155 |
22 |
Fig1 |
|
V-224RA8 |
610 |
154 |
380 |
60 |
33 |
139.72 |
330.2 |
171.45 |
24 |
6-M24 |
6 |
126.5 |
93.5 |
27.5 |
64 |
29 |
9 |
25 |
55 |
64 |
M30x3.5 |
9-M16 |
60 |
77 |
180 |
165.1 |
22 |
Fig2 |
|
V-224RA11 |
610 |
148 |
380 |
60 |
27 |
196.87 |
330.2 |
235 |
30 |
6-M24 |
6 |
126.5 |
93.5 |
27.5 |
70 |
35 |
9 |
25 |
55 |
64 |
M30x3.5 |
6-M20 |
60 |
77 |
180 |
165.1 |
22 |
Fig2 |
|
V-224RA15 |
610 |
148 |
380 |
60 |
27 |
285.78 |
330.2 |
330.2 |
33 |
6-M24 |
6 |
126.5 |
93.5 |
27.5 |
70 |
35 |
9 |
25 |
55 |
64 |
M30x3.5 |
3-M12 |
60 |
77 |
180 |
165.1 |
22 |
Fig1 |
|
V-232RA11 |
810 |
156 |
380 |
80 |
27 |
196.87 |
330.2 |
235 |
30 |
6-M24 |
6 |
104.8 |
196.5 |
25.5 |
47 |
12 |
5 |
25 |
55 |
74 |
M30x3.5 |
6-M20 |
60 |
93 |
210 |
165.1 |
22 |
Fig2 |
|
V-232RA15 |
810 |
156 |
380 |
80 |
27 |
285.78 |
330.2 |
330.2 |
33 |
6-M24 |
6 |
104.8 |
196.5 |
25.5 |
47 |
12 |
5 |
25 |
55 |
74 |
M30x3.5 |
3-M12 |
60 |
93 |
210 |
165.1 |
22 |
Fig1 |
|
V-232RA20 |
810 |
187 |
520 |
80 |
58 |
412.78 |
330.2 |
463.6 |
35 |
6-M24 |
6 |
104.8 |
196.5 |
25.5 |
16 |
-19 |
5 |
25 |
55 |
74 |
M30x3.5 |
6-M24 |
60 |
93 |
210 |
165.1 |
22 |
Fig3 |
|
VIT-212RA8 |
304 |
118 |
220 |
30 |
18 |
139.72 |
190 |
171.45 |
25 |
4-M16 |
6 |
61 |
48.75 |
12.75 |
145 |
115 |
5.5 |
18 |
36 |
50 |
M20x2.5 |
4-M8 |
50 |
54.5 |
130 |
— |
— |
Fig1 |
|
VIT-218RA11 |
450 |
130 |
300 |
43 |
22 |
196.87 |
260 |
235 |
32 |
4-M20 |
6 |
92 |
70.75 |
24.25 |
70 |
35 |
5.5 |
25.5 |
55 |
62 |
M30x3.5 |
4-M10 |
60 |
66.5 |
165 |
158 |
22 |
Fig1 |
|
VIT-224RA11 |
610 |
162 |
380 |
60 |
41 |
196.87 |
330.2 |
235 |
30 |
8-M24 |
6 |
126.5 |
93.5 |
27.5 |
70 |
35 |
9 |
25 |
56 |
64 |
M30x3.5 |
6-M20 |
60 |
77 |
180 |
165.1 |
22 |
Fig2 |
|
VIT-224RA15 |
610 |
148 |
380 |
60 |
27 |
285.78 |
330.2 |
330.2 |
33 |
8-M24 |
6 |
126.5 |
93.5 |
27.5 |
70 |
35 |
9 |
25 |
55 |
64 |
M30x3.5 |
4-M12 |
60 |
77 |
180 |
165.1 |
22 |
Fig1 |
|
VIT-232RA11 |
810 |
170 |
380 |
80 |
41 |
196.87 |
330.2 |
235 |
30 |
8-M24 |
6 |
104.8 |
196.5 |
25.5 |
47 |
12 |
5 |
25 |
56 |
74 |
M30x3.5 |
6-M20 |
60 |
93 |
210 |
200 |
22 |
Fig2 |
|
VIT-232RA15 |
810 |
156 |
380 |
80 |
27 |
285.78 |
330.2 |
330.2 |
33 |
8-M24 |
6 |
104.8 |
196.5 |
25.5 |
47 |
12 |
5 |
25 |
55 |
74 |
M30x3.5 |
4-M12 |
60 |
93 |
210 |
200 |
22 |
Fig1 |
