Magnetic Block Unit
Magnetic Block Unit

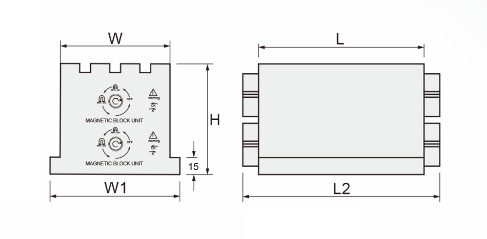
● This series has two models: single-faced magnetic block unit (GMV-S) and double-faced magnetic block unit (GMV-SD).
A.GMV-S is suitable for processing which needn’t change position frequently. It can be fixed on working table by a clamping plate and then begin magnetizing.
B.GMV-SD is the most excellent design of this series. Its feature is each faced magnet can be operated separately. Magnetic block unit can be moved to any position and the underneath-faced magnet can be fixed on working table by magnetic force. It is easy to move and can save time on screwing it.While dealing with heavy cutting, it also can be fixed by a clamping plate,so as to ensure safety.
● A substitute induction bar is made of medium-carbon steel which accompanies with the magnetic block unit. While processing, it can be used in modifying, boring and milling and so on, because of its multi-function.
PS.The Magnetic Block Unit can be used with this faceplate to become a powerful permanent chuck. (such as the example GMV-6SP)
|
Model |
Dimension |
Height |
Length |
Front & back Distance |
Side Distance |
Min. thinkness |
Max.HoldingPower |
Net Weight |
|||||
|
Face Plate |
BOTTOM PLATE |
Including Induction Block |
Including axis |
|
|
||||||||
|
(L) |
(w) |
(L1) |
(w1) |
H |
L2 |
Max. |
Min. |
Max. |
Min. |
|
KGF |
KG |
|
|
GMV-3S |
157 |
132 |
157 |
161 |
80 |
228 |
300 |
30 |
500 |
60 |
20 |
900 |
15 |
|
GMV-6S |
230 |
162 |
230 |
192 |
100 |
303 |
500 |
60 |
950 |
100 |
25 |
1900 |
32 |
|
GMV-3SD |
157 |
135 |
157 |
168 |
140 |
228 |
300 |
30 |
500 |
60 |
20 |
900 |
25 |
|
GMV-6SD |
230 |
162 |
230 |
192 |
175 |
303 |
500 |
60 |
950 |
100 |
25 |
1900 |
53 |
|
GMV-6SP |
230 |
162 |
230 |
200 |
195 |
228 |
Face Plate Custom-Made |
38 |
|||||

