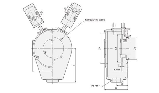
Hydraulic cylinder coolant collector
CM.B 油壓迴轉缸集水盒 Hydraulic cylinder coolant collector
l Hydraulic cylinders coolant collectors. Compact and light weight, they feature bore sizes up to 20% large than Conventional Cylinders.
Precision finished piston bores and cool running rotary unions are
included for years of trouble-free performance.
l The proximity switches are extra option.

|
DIM |
A |
B |
C |
D |
E |
F |
G |
J |
L |
L |
N |
P |
S |
T |
M |
H1 |
K1 |
Q1 |
Reference |
Matching Cylinder |
Weight |
|
CM09B |
82.5 |
30 |
35 |
71.5 |
106 |
55.5 |
77 |
5 |
47.5 |
17.5 |
30 |
67 |
90 |
105 |
PT 3/4" |
76 |
44 |
4-M4 |
Fig2 |
M0928 |
0.85 |
|
CM10B1 |
82.5 |
40 |
35 |
71.5 |
106 |
55.5 |
107 |
5 |
47.5 |
17.5 |
30 |
75 |
— |
105 |
PT 3/4" |
88 |
44 |
6-M5 |
Fig1 |
M1036 |
1.0 |
|
CM12B |
117.5 |
48 |
42 |
85.5 |
142 |
74 |
107 |
5 |
60.5 |
17.5 |
30 |
87 |
— |
130 |
PT 1" |
98 |
47 |
4-M5 |
Fig1 |
M1236, M1246, |
1.6 |
|
CM15B8 |
117.5 |
55 |
42 |
85.5 |
142 |
74 |
107 |
5 |
60.5 |
17.5 |
30 |
98 |
— |
130 |
PT 1" |
110 |
47 |
4-M6 |
Fig1 |
M1546, M1552, |
1.6 |
|
CM18B |
155 |
80 |
42.5 |
86.5 |
184 |
94 |
147 |
5 |
58.5 |
17.5 |
30 |
123 |
— |
150 |
PT 1" |
155 |
47 |
4-M6 |
Fig1 |
M1868, M1875 |
2.0 |
|
CM18BK |
155 |
80 |
42.5 |
86.5 |
184 |
94 |
147 |
5 |
60.5 |
19.5 |
30 |
126 |
175 |
150 |
PT 1" |
166 |
47 |
4-M6 |
Fig2 |
MK1881 |
2.0 |
|
CM20B |
155 |
95 |
42.5 |
86.5 |
184 |
94 |
147 |
5 |
60.5 |
17.5 |
30 |
140 |
— |
150 |
PT 1" |
165 |
47 |
4-M6 |
Fig1 |
M2091 |
2.1 |
|
CM25B |
200 |
120 |
44 |
89.5 |
230 |
117 |
192 |
12 |
60 |
21 |
27 |
179 |
— |
180 |
PT 1" |
206 |
47 |
4-M6 |
Fig1 |
M2511 |
2.4 |
|
CM28B |
254 |
170 |
52 |
103 |
285 |
147 |
240 |
8 |
74.5 |
20.5 |
20 |
222.6 |
278 |
260 |
PT 1-1/4" |
256 |
85 |
4-M6 |
Fig2 |
ML2816 |
4.2 |
|
CM33B |
300 |
208 |
52 |
101.5 |
330 |
— |
285 |
8 |
74.5 |
20.5 |
20 |
262.6 |
328 |
259 |
PT 1-1/4" |
308 |
70 |
4-M6 |
Fig2 |
ML3320 |
7.2 |
