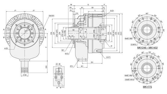
Super high speed through-hole compact rotary hydraulic cylinder
MK 超高速薄型中空迴轉油壓缸 Super high speed through-hole compact rotary hydraulic cylinder
l The compact hydraulic cylinder which is shorten the length about 30% and light weight can reduce the spindle loading while running in high speed.
l Built-in check valve in safety auto lock and pressure relief valve in case of power failure occurs.
l New model developed for rear locking installation.

|
SPEC |
Piston |
Piston Area |
Max. Draw Bar Force |
Piston |
Max. |
Max. |
Moment |
Weight |
Total |
|
MK-1246 |
128 |
102.6 / 91.4 |
43.64466) / 38.9(3967) |
16 |
4.5(45.9) |
8000 |
0.017 |
8.6 |
3.1 |
|
MK1246F |
128 |
102.6 / 91.4 |
43.6(4466) / 38.9(3967) |
16 |
4.5(45.9) |
8000 |
0.018 |
9.2 |
3.1 |
|
MK1452 |
145 |
133 / 122.6 |
56.5(5761) / 52.1(5313) |
22 |
4.5(45.9) |
6500 |
0.028 |
12 |
3.9 |
|
MK-1452F |
145 |
133 / 122.6 |
56.5(5761) / 52.1(5313) |
22 |
4.5(45.9) |
6500 |
0.029 |
12.5 |
3.9 |
|
MK1768 |
170 |
166 / 152 |
70.7(7209) / 64.7(6597) |
25 |
4.5(45.9) |
5500 |
0.065 |
19.4 |
4.5 |
|
MK-1775 |
170 |
166 / 152 |
70.7(7209) / 64.7(6597) |
25 |
4.5(45.9) |
5500 |
0.060 |
17.8 |
4.5 |
|
MK1778 |
170 |
166 / 152 |
70.7(7209) / 64.7(6597) |
25 |
4.5(45.9) |
5500 |
0.059 |
17.4 |
4.5 |
|
MK1881 |
180 |
187 / 171.9 |
79.5(8107) / 73.1(7454) |
25 |
4.5(45.9) |
4800 |
0.087 |
24 |
4.5 |
|
DIM |
A1 |
B1 |
C1 |
E1 |
F1 |
G1 |
H1 |
J1 |
K1 |
L1 |
M1 |
N1 |
P1 |
Q1 |
R1 |
S1 |
T1 |
U1 |
W1 |
X1 |
Y1 |
Z1 |
|
MK-1246 |
8.5 |
79.5 |
25 |
M6x10 |
12-M10x20 |
84 |
98 |
76 |
47 |
15 |
50 |
76 |
4 |
M5x6 |
9 |
PT 3/8 |
12 |
165 |
M52x1.5 |
50 |
15 |
M8 |
|
MK1246F |
8.5 |
89.5 |
30 |
M6x10 |
6-M10x20 |
94 |
98 |
76 |
47 |
15 |
50 |
76 |
4 |
M5x6 |
9 |
PT 3/8 |
8 |
165 |
M52x1.5 |
50 |
15 |
M8 |
|
MK1452 |
9 |
88 |
30 |
M6x12 |
12-M10x20 |
93 |
110 |
86 |
47 |
15 |
55 |
85 |
4 |
M6x6 |
16 |
PT 3/8 |
12 |
184 |
M58x1.5 |
56 |
12 |
M8 |
|
MK-1452F |
9 |
95 |
30 |
M6x12 |
6-M10x20 |
100 |
110 |
86 |
47 |
15 |
55 |
85 |
4 |
M6x6 |
16 |
PT 3/8 |
8 |
184 |
M58x1.5 |
56 |
15 |
M8 |
|
MK1768 |
17.5 |
99 |
30 |
M6x12 |
12-M10x20 |
110 |
155 |
100 |
47 |
15 |
70 |
108 |
4 |
M6x10 |
7 |
PT 1/2 |
12 |
216 |
M84x2.0 |
81 |
18 |
M10 |
|
MK-1775 |
17.5 |
99 |
30 |
M6x12 |
12-M10x20 |
110 |
155 |
100 |
47 |
15 |
80 |
108 |
4 |
M6x10 |
7 |
PT 1/2 |
12 |
216 |
M84x2.0 |
81 |
18 |
M10 |
|
MK1778 |
17.5 |
99 |
30 |
M6x12 |
12-M10x20 |
110 |
155 |
100 |
47 |
15 |
82 |
108 |
4 |
M6x10 |
7 |
PT 1/2 |
12 |
216 |
M84x2.0 |
81 |
18 |
M10 |
|
MK1881 |
17 |
106 |
35 |
M6x12 |
12-M10x20 |
115 |
166 |
105 |
47 |
15 |
85 |
113 |
4 |
M6x10 |
16.5 |
PT 1/2 |
12 |
226 |
M89x2.0 |
86 |
19 |
M10 |
|
DIM |
C |
D |
D1 |
E |
F |
G |
H |
J |
K |
L |
N |
P |
S |
T |
U |
V |
V |
W |
W |
Z |
|
MK-1246 |
162 |
147 |
147 |
130 |
75 |
65 |
M55x2.0 |
46 |
40 |
58 |
64 |
85 |
85 |
120 |
120 |
13 |
-3 |
44 |
28 |
8 |
|
MK1246F |
162 |
130 |
147 |
100 |
75 |
65 |
M55x2.0 |
46 |
40 |
68 |
64 |
85 |
85 |
120 |
130 |
14 |
-2 |
44 |
28 |
5 |
|
MK1452 |
184 |
165 |
165 |
140 |
80 |
70 |
M60x2.0 |
52 |
40 |
68 |
73 |
96 |
96 |
130 |
130 |
19 |
-3 |
53.5 |
31.5 |
8 |
|
MK-1452F |
186 |
170 |
165 |
130 |
80 |
70 |
M60x2.0 |
52 |
40 |
73 |
73 |
96 |
96 |
130 |
137 |
21 |
-1 |
53.5 |
31.5 |
5 |
|
MK1768 |
212 |
195 |
195 |
160 |
105 |
95 |
M75x2.0 |
68 |
46 |
71 |
98 |
121 |
121 |
160 |
157 |
22 |
-3 |
50 |
25 |
8 |
|
MK-1775 |
212 |
195 |
195 |
160 |
105 |
95 |
M85x2.0 |
75 |
46 |
71 |
98 |
121 |
121 |
160 |
157 |
22 |
-3 |
50 |
25 |
8 |
|
MK1778 |
212 |
195 |
195 |
160 |
105 |
95 |
M87x2.0 |
78 |
46 |
71 |
98 |
121 |
121 |
160 |
157 |
22 |
-3 |
50 |
25 |
8 |
|
MK1881 |
222 |
205 |
205 |
168 |
110 |
100 |
M90x2.0 |
81 |
46 |
71 |
103 |
126 |
126 |
175 |
167 |
23 |
-2 |
58 |
33 |
8 |
