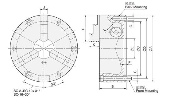
3-jaw scroll chuck plain back, solid jaws (front and back mounted)
SC 三爪連動夾頭(前後鎖共用) 3-jaw scroll chuck plain back, solid jaws (front and back mounted)
l Interchangable utilization of internal and external hard jaws.
l SC types feature economical and durable, suitable for mass production.
l Gripping accuracy of 0.03mm (0.0012 inch) T.I.R..
l The body is made of MEEHANITE. It is suitably used for high speed revolution and 3 times more durable than regular material.

|
SPEC |
A |
B |
C |
D |
E |
F |
G |
H |
J |
K |
L |
Allowable |
Gripping |
Max. |
Weight |
Moment |
Gripping Range |
|
Back / Front |
O.D. Range / I.D. Range |
||||||||||||||||
|
SC-3 |
86 |
46 |
60 |
73 |
16 |
4.1 |
3-M6 / 3-M6×50 |
36 |
11 |
14.3 |
7 |
3.0 |
900 |
2500 |
1.7 |
- |
Ø2-Ø70 / Ø24-Ø6 |
|
SC-4 |
112 |
60 |
80 |
95 |
24 |
4.8 |
3-M8 / 3-M8×70 |
42 |
14 |
16.6 |
8 |
4.5 |
1200 |
2500 |
3.7 |
- |
Ø3-Ø95 / Ø29-Ø84 |
|
SC-5 |
132 |
60 |
100 |
115 |
32 |
4.8 |
3-M8 / 3-M8×70 |
50 |
16 |
20.3 |
8 |
6.5 |
1500 |
2500 |
5.2 |
0.01 |
Ø3-Ø110 / Ø33-Ø100 |
|
SC-6 |
167 |
67 |
130 |
147 |
45 |
5.5 |
3-M10 / 3-M10×70 |
63 |
19 |
23.7 |
10 |
9.0 |
2200 |
2000 |
9.3 |
0.03 |
Ø4-Ø160 / Ø48-Ø150 |
|
SC-7 |
192 |
76.5 |
155 |
172 |
58 |
5.5 |
3-M10 / 3-M10×80 |
77 |
21.5 |
29.4 |
11 |
11.0 |
2500 |
2000 |
14.2 |
0.06 |
Ø4-Ø180 / Ø56-Ø170 |
|
SC-8 |
200 |
76.5 |
160 |
176 |
58 |
5.5 |
3-M10 / 3-M10×80 |
77 |
21.5 |
29.4 |
11 |
11.0 |
2500 |
2000 |
16 |
0.07 |
Ø4-Ø190 / Ø62-Ø180 |
|
SC-9 |
232 |
84 |
190 |
210 |
70 |
6 |
3-M12 / 3-M12×90 |
87 |
24 |
35.6 |
12 |
15.0 |
3000 |
2000 |
22.7 |
0.15 |
Ø5-Ø220 / Ø62-Ø210 |
|
SC-10 |
273 |
87 |
230 |
250 |
89 |
8 |
3-M12 / 3-M12×90 |
98 |
28 |
39.5 |
12 |
19.5 |
4000 |
1800 |
31.8 |
0.25 |
Ø6-Ø260 / Ø70-Ø2 |
|
SC-12 |
310 |
96 |
260 |
285 |
105 |
7 |
3-M12 / 3-M12×110 |
110 |
30 |
45.6 |
14 |
21.0 |
4200 |
1800 |
44.8 |
0.58 |
Ø10-Ø300 / Ø86-Ø290 |
|
SC-16 |
405 |
122 |
345 |
375 |
160 |
8.7 |
— / 6-M14×130 |
146 |
42 |
56.3 |
15 |
25.0 |
4500 |
1500 |
102 |
1.75 |
Ø30-Ø380 / Ø110-Ø360 |
