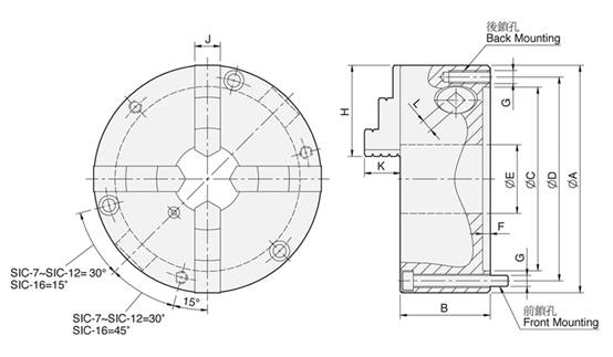
4-jaw scroll chuck plain back, solid jaws (front and back mounted)
SIC四爪連動夾頭(前後鎖共用) 4-jaw scroll chuck plain back, solid jaws (front and back mounted)
l Gripping of square or octagonal workpieces could fit into central line automatically.
l SIC have high stability in gripping thin tube work piece.
l The specification is the same as SC type.
l The body is made of MEEHANITE. It is suitably used for high speed revolution and 3 times more durable than regular material.

|
SPEC |
A |
B |
C |
D |
E |
F |
G |
H |
J |
K |
L |
Allowable |
Gripping |
Max. |
Weight |
Moment |
Gripping Range |
|
Back / Front |
O.D. Range / I.D. Range |
||||||||||||||||
|
SIC-7 |
192 |
76.5 |
155 |
172 |
58 |
5.5 |
3-M10 / 3-M10x8 |
77 |
21.5 |
29.4 |
11 |
11.0 |
2500 |
2000 |
14.8 |
0.06 |
Ø4-Ø180 / Ø56-Ø170 |
|
SIC-9 |
232 |
84 |
190 |
210 |
70 |
6 |
3-M12 / 3-M12x90 |
87 |
24 |
35.6 |
12 |
15.0 |
3000 |
2000 |
23.2 |
0.16 |
Ø5-Ø220 / Ø62-Ø210 |
|
SIC-12 |
310 |
96 |
260 |
285 |
105 |
7 |
3-M12 / 3-M12x110 |
110 |
30 |
45.6 |
14 |
21.0 |
4200 |
1800 |
47 |
0.58 |
Ø10-Ø300 / Ø86-Ø290 |
|
SIC-16 |
405 |
122 |
345 |
375 |
160 |
8.7 |
- / 6-M14x130 |
146 |
42 |
56.3 |
15 |
25.0 |
4500 |
1500 |
107 |
1.75 |
Ø30-Ø380 / Ø110-Ø360 |
