CARBIDE TIPPED COUNTERSINK (FOR MILLING)
Model :
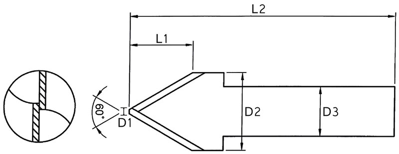
AVT
CARBIDE TIPPED COUNTERSINK (FOR MILLING)
Countersink Cutter / Chamfer Milling Tool is welded with carbide flutes and suitable for bore deburring and milling V-groove.
-
60 degree
-
90 degree
| PART NO. | PILOT DIAMETER (D1) | DIAMETER (D2) | FLUTE LENGTH (L1) | FLUTE | SHANK DIAMETER (D3) | OVERALL LENGTH (L2) |
|---|---|---|---|---|---|---|
| AVT90-016 | 2.5 | 16 | 6.75 | 2 | 16 | 90 |
| AVT90-020 | 3 | 20 | 8.5 | 2 | 16 | 90 |
| AVT90-025 | 4 | 25 | 10.33 | 2 | 16 / 20 | 95 |
| AVT90-030 | 4 | 30 | 13 | 2 | 25 | 100 |
| AVT90-035 | 5 | 35 | 15 | 2 | 25 | 100 |
| AVT90-040 | 5 | 40 | 17.5 | 4 | 32 | 115 |
| AVT90-045 | 5 | 45 | 20 | 4 | 32 | 115 |
| AVT90-050 | 5 | 50 | 22.5 | 4 | 32 | 115 |
| AVT90-055 | 5 | 55 | 25 | 6 | 32 | 115 |
| AVT90-060 | 6 | 60 | 27 | 6 | 32 | 125 |
| AVT90-080 | 6 | 80 | 37 | 6 | 32 / 42 | 135 |
| AVT90-100 | 6 | 100 | 47 | 8 | 32 / 42 | 175 |
